JavaScript в вашем браузере отключён.

Вы должны включить JavaScript в вашем браузере, для просмотра этого сайта Кликните здесь, чтобу узнать как включить javascript в вашем браузере.

фильтры для различной техники
sell filter
Характеристики :
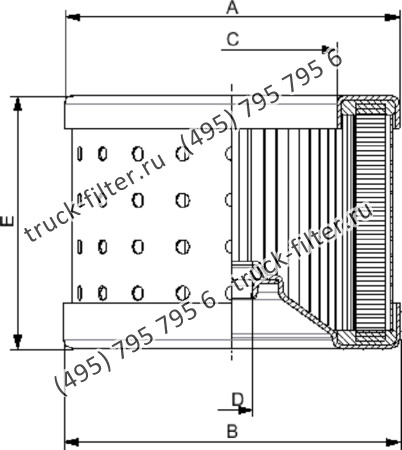
R-100-3-M25-A	
Фильтрующий материал	Металлическая сеть	
Тонкость фильтрации	25 µm	
Направление потока	Наружу	
Максимальное давление	10 bar	
 
A	72	
B	72	
C	45	
D	8,3	
E	200	
 

Прокладка	бутадиен-нитрильный каучук
R-100-3-M25-A элемент сливного фильтра гидравлики
R-100-3-M25-A элемент сливного фильтра гидравлики является аналогом для :
Производитель :  FAIREY ARLON  Номер :   ST-3D-25
Производитель :  PARKER  Номер :   ST-3D-25
Производитель :  SOFIMA HYDRAULICS  Номер :   ERF-13-N-MD