JavaScript в вашем браузере отключён.

Вы должны включить JavaScript в вашем браузере, для просмотра этого сайта Кликните здесь, чтобу узнать как включить javascript в вашем браузере.

фильтры для различной техники
sell filter
Характеристики :
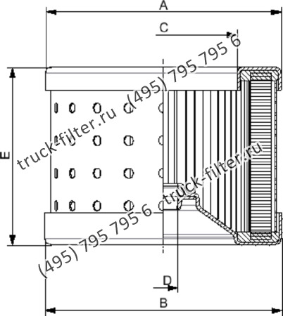
R-100-2-P25-A	
Фильтрующий материал	Пропитанная бумага	
Тонкость фильтрации	25 µm ß(25) > 2	
Направление потока	Наружу	
Максимальное давление	10 bar	
 
A	72	
B	72	
C	45	
D	8,3	
E	150	
 

Прокладка	бутадиен-нитрильный каучук
R-100-2-P25-A элемент сливного фильтра гидравлики R-100-2-P25-A элемент сливного фильтра гидравлики аналог DONALDSON
R-100-2-P25-A элемент сливного фильтра гидравлики является аналогом для :
Производитель :  DONALDSON  Номер :   CRS-90-3
Производитель :  DONALDSON  Номер :   P17-1802
Производитель :  SOFIMA HYDRAULICS  Номер :   CRC-120-CV-1