JavaScript в вашем браузере отключён.

Вы должны включить JavaScript в вашем браузере, для просмотра этого сайта Кликните здесь, чтобу узнать как включить javascript в вашем браузере.

фильтры для различной техники
sell filter
Характеристики :
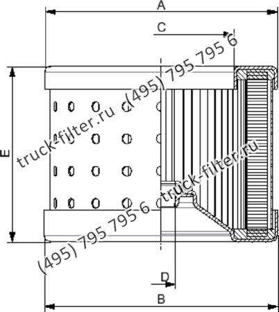
R-100-1-P10-A	
Фильтрующий материал	Пропитанная бумага	
Тонкость фильтрации	10 µm ß(10) > 2	
Направление потока	Наружу	
Максимальное давление	10 bar	
 
A	72	
B	72	
C	45	
D	8,3	
E	106	
 

Прокладка	бутадиен-нитрильный каучук
R-100-1-P10-A элемент сливного фильтра гидравлики R-100-1-P10-A элемент сливного фильтра гидравлики аналог DONALDSON
R-100-1-P10-A элемент сливного фильтра гидравлики является аналогом для :
Производитель :  CINCINNATI  Номер :   7310945
Производитель :  FINN FILTER  Номер :   FFPA-11026-10
Производитель :  S.T. SEPARAT. TECH.  Номер :   ST-1420