JavaScript в вашем браузере отключён.

Вы должны включить JavaScript в вашем браузере, для просмотра этого сайта Кликните здесь, чтобу узнать как включить javascript в вашем браузере.

фильтры для различной техники
sell filter
Характеристики :
R-100-0A-P10-A	
Фильтрующий материал	Пропитанная бумага	
Тонкость фильтрации	10 µm ß(10) > 2	
Направление потока	Наружу	
Максимальное давление	10 bar	
 
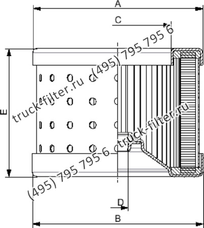
A	72	
B	72	
C	45	
D	8,3	
E	82	
 

Прокладка	бутадиен-нитрильный каучук
R-100-0-A-P10-A элемент сливного фильтра гидравлики
R-100-0-A-P10-A элемент сливного фильтра гидравлики является аналогом для :
Производитель :  FAIREY ARLON  Номер :   TXX-1-10-M
Производитель :  FINN FILTER  Номер :   FC-1220-N-010-XS
Производитель :  PARKER  Номер :   TXX-1-10-M